

盛鉑科技SATT0060025系列50MHz~6GHz數控衰減器是基于盛鉑科技高性能射頻微波儀器衍生出來的具有儀器級指標的模塊組件,SATT0060025系列數控衰減器共有模塊形式和PCB形式兩個型號。
儀器級的性能,極富競爭力的價格

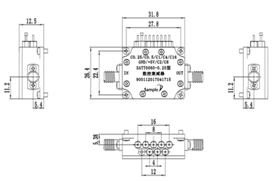
SATT0060025數控衰減器模塊 SATT0060025P數控衰減器PCB
型號 | SATT0060025數控衰減器模塊 | SATT0060025P數控衰減器PCB | ||||
指標 | 最小值 | 典型值 | 最大值 | 最小值 | 典型值 | 最大值 |
頻率范圍 | 50MHz | 6GHz | 50MHz | 6GHz | ||
插入損耗(2GHz,0dB衰減) | 2dB | 2dB | ||||
衰減范圍 | 31.75dB | 31.75dB | ||||
衰減步進 | 0.25dB | 0.25dB | ||||
位數 | 7Bits | 7Bits | ||||
衰減精度 50MHz-5GHz 5GH-6GHz | ±(0.5dB+6%) ±(1.5dB+7%) | ±(0.5dB+6%) ±(1.5dB+7%) | ||||
輸入回波損耗 | -15dB | -15dB | ||||
輸出回波損耗 | -15dB | -15dB | ||||
輸入P0.1dB | 30dBm | 30dBm | ||||
輸入IP3 | 55dBm | 55dBm | ||||
輸入輸出阻抗 | 50Ω | |||||
工作電壓 | +2.7V | +5V | +5.5V | +2.7V | +5V | +5.5V |
工作溫度 | -40℃ | +85℃ | -40℃ | +85℃ | ||
接口 | SMA(F) | |||||
控制 | ||||||
控制方式 | 并口(低電平:≤0.8V;高電平:≥2V) | |||||
響應時間 | 120ns | |||||
極限指標 | ||||||
名稱 | 最小值 | 典型值 | 最大值 | 最小值 | 典型值 | 最大值 |
存儲溫度 | -40℃ | 150℃ | -40℃ | 150℃ | ||
最大輸入功率 | +30dBm | +30dBm | ||||
供電電壓 | -0.5V | +6V | -0.5V | +6V | ||
控制電壓 | -0.5V | +6V | -0.5V | +6V | ||
真值表 | 衰減態 | ||||||
C0.25 | C0.5 | C1.0 | C2.0 | C4.0 | C8.0 | C16.0 | |
0 | 0 | 0 | 0 | 0 | 0 | 0 | 0dB |
1 | 0 | 0 | 0 | 0 | 0 | 0 | 0.25dB |
0 | 1 | 0 | 0 | 0 | 0 | 0 | 0.5dB |
0 | 0 | 1 | 0 | 0 | 0 | 0 | 1dB |
0 | 0 | 0 | 1 | 0 | 0 | 0 | 2dB |
0 | 0 | 0 | 0 | 1 | 0 | 0 | 4dB |
0 | 0 | 0 | 0 | 0 | 1 | 0 | 8dB |
0 | 0 | 0 | 0 | 0 | 0 | 1 | 16dB |
1 | 1 | 1 | 1 | 1 | 1 | 1 | 31.75dB |
SATT0060025數控衰減器模塊 | SATT0060025P數控衰減器PCB |
|
|

訂貨信息:①. SATT0060025數控衰減器模塊;②. SATT0060025P數控衰減器PCB