

NC5000系列的穩定性高,因此可為大多數應用更換沉重的氣體管。輸出的紋波直接影響到測量精度,因此,Noisecom自定義了響應,以盡量減少整個指定頻率范圍內的紋波。
Noisecom的NC5000系列噪聲源具有好的穩定性,轉換速度快,標準波導帶內無紋波響應。
主要應用:
? 噪聲系數測量
? 內置測試設備(BITE)
? 軍事應用
? 輻射計
主要規格:
? 噪聲輸出上升和下降時間小于1μs
? 噪聲輸出變化,溫度小于0.01dB/°C
? 噪聲輸出變化,電壓小于 0.1dB/1 %AV
? 工作溫度:0°C 至 +85°C"
? 輸入功率:30mA條件下最大為+28VDC
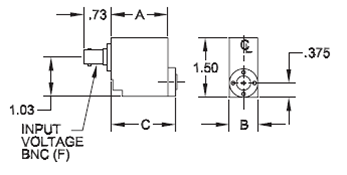
波導管 | 尺寸 | 尺寸 | 尺寸 |
A (英寸) | B (英寸) | C (英寸) | |
WR15 | 1.78 | 0.76 | 1.96 |
WR10 | 1.50 | 0.76 | 1.70 |

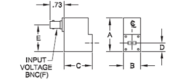
波導管 | 尺寸 | 尺寸 | 尺寸 | 尺寸 | 尺寸 |
A (英寸) | B (英寸) | C (英寸) | D (英寸) | E (英寸) | |
WR42 | 1.72 | 0.88 | 1.44 | 0.44 | 1.38 |
WR28 | 1.55 | 0.75 | 1.30 | 0.38 | 1.20 |

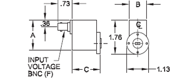
波導管 | 尺寸 | 尺寸 | 尺寸 |
A (英寸) | B (英寸) | C (英寸) | |
WR22 | 1.51 | 0.75 | 1.31 |
WR19 | 1.51 | 0.75 | 1.31 |

WR42 | WR28 | WR22 | |
尺寸A(英寸) | 4.34 | 3.28 | 2.69 |
尺寸B (英寸) | 1.45 | 1.32 | 1.73 |
WR19 | WR15 | WR10 | |
尺寸A(英寸) | 2.63 | 2.56 | 2.46 |
尺寸B (英寸) | 1.32 | 0.99 | 0.99 |
